YTN-S300B微機控制電液伺服液壓式萬能試驗機
產品概述:
YTN-S300B型微機控制電液伺服液壓式萬能試驗機主機采用油缸下置式主機結構,主要用于金屬材料、非金屬材料、產品零件、部件、結構件,標準件的拉伸、壓縮、彎曲等力學性能試驗。
本系列試驗機若增配環境裝置還可做該環境下的材料拉伸、壓縮及彎曲試驗。例如:高溫拉伸、低溫拉伸、壓縮等試驗。
適用于鋼鐵、冶金、建筑建材、質檢中心、水利水電、公路橋梁、科研院所,大專院校力學等廠礦企業和檢測科研機構。
產品的制造和檢驗標準
1. GB2611《試驗機通用技術要求》
2. JJG139《拉力、壓力和萬能試驗機》
適用的試驗方法標準
試驗操作和數據處理滿足GB/T228《金屬材料室溫拉伸試驗方法》,GB/T7314《金屬材料室溫壓縮試驗方法》,GB/T232《金屬材料彎曲試驗方法》等上百個標準要求。并可根據客戶需求配置滿足不同標準的數據處理方法。
YTN-S300B微機控制電液伺服液壓式萬能試驗機主要技術指標
1 主機
主機采用油缸下置式主機,拉伸空間位于主機的上方,壓縮、彎曲試驗空間位于主機下橫梁和工作臺之間。
2 傳動系統
中橫梁升降采用電機經鏈輪帶動絲杠旋轉,調整中橫梁的空間位置,實現拉伸、壓縮空間的調整。
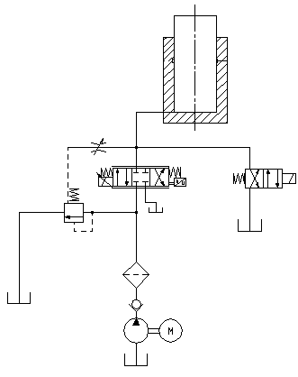
3 液壓系統
液壓原理如圖二所示,為負載適應型進油節流調速系統。
|
圖二 液壓原理圖
油箱內的液壓油通過電機帶動油泵進入油路,流經單向閥、高壓濾油器、壓差閥組、伺服閥,進入油缸。計算機發出控制信號到比例伺服閥,控制比例伺服閥的開口和方向,從而控制進入油缸的流量,實現等速試驗力、等速位移等的控制。
4.電氣測控系統:
(1)、伺服控制油源核心部件均采用進口原器件,性能穩定。
(2)、具有過載、過流、過壓、位移上下限位和緊急停止等保護功能。
(3)、基于PCI技術的內置式控制器,保證了該試驗機可以實現試驗力、試樣變形和橫梁位移等參量的閉環控制,可實現等速試驗力、等速位移、等速應變、等速載荷循環、等速變形循環等試驗。各種控制模式之間可以平滑切換。
(4)、試驗結束時,可手動或自動高速返回試驗初始位置。
(5)、實現了真正意義上的物理調零、增益調整及試驗力測量的自動換檔、調零、標定和存盤,無任何模擬調節環節,控制電路高度集成化。
(6)、電氣控制線路參照國際標準,符合國家試驗機電氣標準,抗干擾能力強,保證了控制器的穩定性,實驗數據準確性。
(7)、具有網絡傳輸接口,可進行數據的傳輸、存儲、打印記錄和網絡傳輸打印,可與企業內部局域網或Internet網連接。
5. 軟件主要功能特點描述
該測控軟件用于微機控制電液伺服液壓式萬能試驗機,進行各種金屬及非金屬的試驗,按照相應標準完成實時測量與顯示、實時控制及數據處理、結果輸出等各種功能。
(1)、分權限管理,不同級別的操作者有不同的操作權限,可操作的菜單等內容也不同,既使普通操作者操作簡單、方便、快捷,又有效的保護了系統;
(2)、實時測量與顯示試驗力及峰值、位移、變形等各信號;實現了平臺下的實時采集與控制;并實現了精確定時,高速采樣;
(3)、實現了負荷-變形,負荷-位移等多種試驗曲線的實時屏幕顯示,可隨時切換觀察,曲線的放大與縮小非常方便;
(4)、具備試驗參數的計算機存儲、設定、加載等功能,調零、標定等操作都從軟件上進行,各參數可方便的進行存儲和調入,從而使一臺主機帶多個傳感器時可以方便的切換,而且沒有數目限制;
(5)、支持多種控制方式,包括開環等速位移及等速力、等速應力等多種閉環控制方式;并在高級操作者調試閉環參數過程中給出標準參考曲線,從而使用戶實際觀察到各參數對閉環效果產生的影響。
(6)、具有試驗過程控制模式智能設置專家系統,提供給專業用戶自動程控編程器。用戶可以根據實際需要,按照規則靈活組合多種控制方式及控制速度,編制適合自己需要的控制程序。測控軟件會自動按照用戶設置自動控制試驗過程。
(7)、采用人機交互方式分析數據。處理方法滿足應用廣泛的標準要求,可自動計算彈性模量、屈服強度、規定非比例延伸強度等各種性能參數,也可人工干預分析過程,提高分析的準確度;也可以根據用戶提供的標準進行其他的數據處理。
(8)、試驗數據以文本文件存貯,以方便用戶查詢,以及利用任何通用商業報表、字處理軟件對試驗數據進行再處理,同時方便聯網傳遞數據;
(9)、可記錄、保存試驗過程的數據曲線,可以進行曲線疊加對比,便于對比分析;
(10)、可按用戶要求格式打印試驗報告。用戶可以自己選擇報告輸出基本信息和試驗結果及試驗曲線的內容,滿足各種需要;
(11)、實現了試驗力和變形的數字調零、自動標定,方便了操作,提高了機器的可靠性。各種參數系統設置以文件形式存貯,便于保存和恢復;
(12)、可應用于Win98、Win2000、WinXP等多種操作系統。試驗過程控制、橫梁移動速度的改變、參數輸入等操作可全部用鍵盤、鼠標完成,使用方便快捷;
(13)、具備過載保護自動停機功能,并可以自動判斷試樣斷裂,自動停機。
根據用戶要求不同,上述軟件功能會有增減或調整改變。
6.軟件及軟件操作界面:
(1)軟件可以在Windows98/2000/XP,用戶界面呈現與Windows風格一致的中文窗口系統。所有的試驗操作均可以在計算機屏幕上以鼠標輸入的方式完成。
試驗機主界面
位移控制的界面;
力控制的界面;
自動控制的界面;
自主編程的程控界面;
試驗標準模塊界面,不斷添加中
數據查詢
7、安全保護裝置
(1)當試驗力超過最大試驗力的2%-5%時,過載保護,系統卸荷。
(2)當活塞升起達到上極限位置時,行程保護,油泵電機停機。
YTN-S300B微機控制電液伺服液壓式萬能試驗機主要性能技術指標
|
序號 |
項 目 名 稱 |
參 數(2立柱2絲杠) |
|
1 |
最大試驗力kN |
300 |
|
2 |
試驗力示值相對誤差 |
≤示值的±1% |
|
3 |
試驗力測量范圍 |
最大試驗力的2%~100% |
|
4 |
等速應力控制范圍(N/mm2·S-1) |
2~60 |
|
5 |
等速應變控制范圍 |
0.00025/s~0.0025/s |
|
6 |
等速位移控制范圍(mm/min) |
0.5~50 |
|
7 |
夾緊方式 |
液壓夾緊 |
|
8 |
圓試樣夾持直徑范圍mm |
Φ4~Φ32 |
|
9 |
扁試樣夾持厚度范圍mm |
0~15 |
|
10 |
扁試樣夾持寬度mm |
70 |
|
11 |
最大拉伸試驗空間mm |
550 |
|
12 |
最大壓縮試驗空間mm |
500 |
|
13 |
控制柜外形尺寸mm |
1100×620×850 |
|
14 |
主機外形尺寸mm |
730×590×1900 |
|
15 |
電機功率kW |
2.3 |
|
16 |
主機質量kg |
1500 |
|
17 |
立柱凈間距(mm) |
450 |
|
18 |
上下壓盤尺寸mm |
Φ150 |
|
19 |
彎曲支棍間距mm |
400 |
|
20 |
彎曲支棍寬度mm |
140 |
|
21 |
容許彎曲度mm |
100 |
|
22 |
最大活塞行程mm |
200 |
|
23 |
活塞最大移動速度mm/min |
約80 |
|
24 |
試驗空間調整速度mm/min |
約150 |
YTN-S300B微機控制電液伺服液壓式萬能試驗機標準配置:
|
序號 |
名 稱 |
規 格 |
數量 |
備 注 |
|
1 |
主 機 |
|
1臺 |
自制 |
|
2 |
伺服控制油源 |
|
|
自組 |
|
4 |
控制柜 |
|
1臺 |
自制 |
|
5 |
測控系統 |
|
1套 |
自制 |
|
6 |
油壓傳感器 |
|
1只 |
寧波 |
|
7 |
拉伸編碼器 |
|
1只 |
濟南 |
|
8 |
計算機 |
|
1臺 |
惠普 |
|
9 |
打印機 |
|
1臺 |
HP |
|
10 |
圓試樣鉗口mm
|
Φ4~Φ10,Φ10~Φ20 |
1副 |
|
|
板試樣鉗口mm |
0-15 |
|||
|
11 |
彎曲試驗附具 |
增配 |
1套 |
|
|
12 |
油泵 |
|
|
|
|
13 |
電機 |
|
|
|
|
14 |
技術文件 |
使用說明書,裝箱單,合格證 |
|
|

